- 概览
-
CTBA系列VAV控制器 (VAV-10)
VAV(Variable Air Volume)是一款新型的变风量空调控制器,,,,,主要用于吸收并收罗传感器、常用触点或其它装备传送来的输入信号,,,,,并凭证软件程序和算法处置惩罚这些输入信号,,,,,再输出信号到外部装备,,,,,这些输出信号可用于启动或关闭机械,,,,,例如:翻开或关闭阀门或风门,,,,,或按程序执行重大的行动。。。。。。。通讯通过电力PLC、或WLAN、或以太网方法统一回传。。。。。。。VAV控制器现在主要用于楼宇控制领域,,,,,凭证室内负荷转变或室内要求参数的转变,,,,,坚持恒定送风温度,,,,,自动调理空调系统送风量,,,,,从而使室内参数抵达要求的全空气空调系统。。。。。。。
订货数据
型号
规格参数
订货号
VAV-10(PLC)
PLC上行的楼宇自动化VAV-10控制器,,,,,支持Ethernet,,,,,modbus,,,,,2路RS485接口,,,,,3UI+3BO+2VO+1路风速传感+1路风阀执行器,,,,,共10路接口
CTBA VAV-1010A
VAV-10(WLAN)
WIFI上行的楼宇自动化VAV-10控制器,,,,,支持Ethernet,,,,,modbus,,,,,2路RS485接口,,,,,3UI+3BO+2VO+1路风速传感+1路风阀执行器,,,,,共10路接口
CTBA VAV-1010B
VAV-10(ETH)
ETH上行的楼宇自动化VAV-10控制器,,,,,支持Ethernet,,,,,modbus,,,,,2路RS485接口,,,,,3UI+3BO+2VO+1路风速传感+1路风阀执行器,,,,,共10路接口
CTBA VAV-1010
概述:
CTBA系列VAV控制器接纳华为智慧园区Link通讯,,,,,支持MagiCampus软件编程,,,,,其差别的IO点能知足差别风量VAV终端的应用。。。。。。。它自带一个压差传感器和风阀执行器,,,,,压差传感器用于风量丈量,,,,,风阀执行器用于风量的调理。。。。。。。
CTBA系列VAV控制器接纳小巧的外观设计和精准的风量丈量,,,,,使其知足越来越多的VAV终端控制需求。。。。。。。
VAV控制器外观示意

表1-1 VAV控制器组件形貌
序号
形貌
序号
形貌
1
数字量/电压输出通道BO
9
传感器电源输出口
2
以太网通讯接口
10
RS485终端电阻拨码开关
3
RS485地点拨码开关
11
RS485-1功效保存
RS485-2通讯口(支持MODBUS RTU通讯协议)
4
PLC WAN接口
12
风阀手动调理杆
5
PLC FAN接口
13
风阀箱装置螺丝孔
6
24VAC输入电源接口
14
风速传感器崎岖压输入口
7
数字量输出BO
15
LED状态指示灯
8
通用型输入UI
16
风阀执行器
CTBA系列VAV控制器的特征如下:
硬件特征
l 外观小巧细腻,,,,,占用较小的机箱空间;;;
l 自带高精度压差传感器,,,,,知足小风速下的风量丈量;;;
l 5Nm风阀执行器,,,,,装置在VAV Box阀杆上,,,,,牢靠方法更为可靠、便捷。。。。。。。
通讯特征
l BACnet营业能力:支持工具和Service能力,,,,,支持BACnet Profile规范通讯。。。。。。。
l 富厚的通讯总线:上行接口支持以太网、PLC或WLAN;;;
注:此处PLC注释为Power line Communication(电力无线载波通讯手艺)。。。。。。。
l WLAN、PLC终端入网参数自动设置;;;
l 终端自动识别&身份认证,,,,,清静机制;;;
l 终端外地控制逻辑剖析及执行;;;
l 提供终端和云、网关的数据传输通道;;;
l 集成华为智慧园区Link SDK,,,,,支持SDK装置运行和liteOS运行,,,,,支持跟华为物联网关如AR502H(含华为智慧园区Link(Gateway))以及数字平台对接、自动联网、自动注册。。。。。。。
逻辑算法
l PID控制算规则格:PID控制算法在5个震荡周期内实现输出的收敛,,,,,输出平稳。。。。。。。
l 外地闭环控制:控制器能够在控制器外地自力执行程序,,,,,而不依赖于上位机事情。。。。。。。
l 数据生涯:控制器设定参数、采样控制数据存储包管72小时以上,,,,,其中网络设置、绑点设置、位置设置信息存储到flash。。。。。。。
编程特征
l 使用MagiCampus软件编程和设置;;;
故障治理
l 报警提醒:装备故障灯亮,,,,,上报明确故障信息,,,,,包括装备离线缓存告警信息和恢复后上报提醒信息。。。。。。。
l AI点装备离线告警上报out of service告警;;;
l 联网装备&联网传感器离线告警上报out of service告警;;;
维护及升级
l 装备可维护性:支持远程和外地升级固件和控制逻辑更新,,,,,支持智能终端app方法通过外地蓝牙接口举行网络参数设置、位置信息录入、绑点设置和读取设置信息,,,,,以及故障定位信息获取及装备调试。。。。。。。
l 软件升级:支持凭证华为智慧园区Link的文件传输接口吸收模组固件、主控板固件、蓝牙固件、控制逻辑文件,,,,,支持将固件和控制逻辑文件加载更新到对应的flash或内存。。。。。。。
l 支持deadband,,,,,避免执行部件频仍开关及转动,,,,,影响到装备寿命。。。。。。。
l 标签:支持华为智慧园区Link规范SN,,,,,产品贴(二维码)标签供扫描。。。。。。。
认证
l BQB认证;;;
l IEC61000-4-5;;;
- 手艺参数
-
CTBA系列VAV的I/O规格
点的类型
接受的信号
VAV-10
通用型输入(UI)
A/D转换区分率:16位模拟量输入,,,,,电压信号,,,,,0-10VDC
模拟量输入,,,,,电流信号,,,,,4-20mA1
模拟量输入,,,,,电阻信号,,,,,0-2K欧姆,,,,,RTD (1kNI, 1k PT, A99B SI),,,,,NTC(10k Type L,2.25k Type2 ),,,,,NTC(20k)
数字量输入,,,,,干触点坚持输出模式3
数字输出(BO)
24VAC三端双向可控硅
3
可设置的输出(VO)
A/D转换区分率:12位模拟量输出,,,,,电压信号,,,,,0 - 10 VDC
数字输出模式,,,,,24VAC三端双向可控硅2
风速传感器
VAV控制器内部预置集成的风速传感器,,,,,缩短工程装置时间
1
风阀执行器
VAV控制器内部预置集成的风阀执行器,,,,,缩短工程装置时间,并带有风阀开度反响
1
备注:对传感器供电电压15VDC。。。。。。。
CTBA系列VAV手艺规格
型号
VAV-10
电源电压
24 VAC(最小20 VAC/最大30 VAC,,,,,50或60 Hz,,,,,class2(北美)或SELV(欧洲)
耗电量
一样平常10VA,,,,,最大14VA,,,,,加上所有的 BO以及可设置的输出负载。。。。。。。
运行情形条件
0至50°C(32至122°F);;;10%至90%相对湿度,,,,,无结露。。。。。。。
存储情形条件
负40至70°C(负40至158°F);;;10% 至90%相对湿度,,,,,无结露。。。。。。。
接线端子
螺丝接线端子和插拔式螺丝端子排,,,,,最大接入2平方毫米导线一根
电池
精度(@±25°C):±15分钟/年
RTC电池:最长4年放电时间@±25°C
处置惩罚器
CPU型号支持LiteOS并且在华为智慧园区Link适配的规模内,,,,,推荐Cortex-M4
存储器
片内至少256KB SRAM,,,,,片内至少2MB的Flash,,,,,片外至少接纳4MB的 flash以及至少预留256KB的SRAM;;;
运行速率
程序循环时间:小于1秒;;;
控制器地点
内部IP设置,,,,,通过软件设置,,,,,默认DHCP
运维接口
面板支持以太网接口、蓝牙接口,,,,,指示灯接口
通讯总线
上行接纳PLC(电力载波通讯)通讯,,,,,对应VAV上的PLC WAN接口;;;
WLAN通讯(通过AP热门毗连至局域网);;;
以太网通讯(通过RJ45网口与上位机举行通讯);;;
下行接纳2路RS485与第三方仪表通讯;;;
终端电阻;;;
总线速率(bps):1200、2400、4800、9600、19200、38400、115200,,,,,支持Modbus RTU;;;
模拟量输入/模拟量输出准确度
模拟量输入:16位区分率
模拟量输出:12位区分率,,,,,电压0~10VDC应用时±200mV
装置
三点螺钉定位于平面,,,,,或者35mm DIN轨道装置
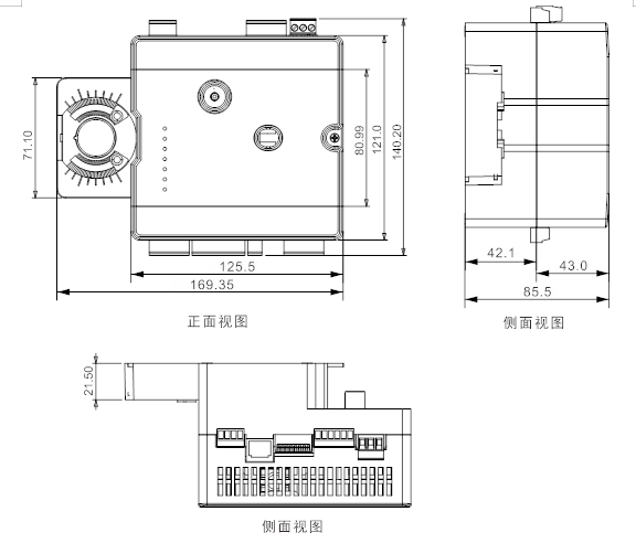
尺寸(高x宽x长)
55x 144.10x186mm
外壳
塑料外壳,,,,,塑料质料:PPO,,,,,;;;て芳叮IP30 (IEC529)
切合的标准
IEC61000-4-5
BQB
- 典范应用
-
VAV空调系统中的应用
VAV空调系统界说为可变送风量空调系统。。。。。。。它是一种全空气的空调系统,,,,,它是通过调理改变送风风量而不是改变送风温度来调理和控制室内某一区域的温度。。。。。。。它凭证室内负荷的转变或室内要求的参数的改变自动调理空调系统的送风量,,,,,从而包管室内的温度要求。。。。。。。

- 装置规格
-


- 样本/手册/软件
-
rb88随行版CTBA系列VAV控制器手艺手册V1.10






